Images
Hersteller
Alton
Artikel Nummer
ACG07 - PR01. EC3
Preis exkl. MwSt.
€ 516,67
Varianten
Wenn Sie eine UID Nummer haben, oder in einem Land außerhalb der EU leben und Preise ohne Mwst sehen möchten, erstellen Sie bitte ein Konto bei uns.
Body
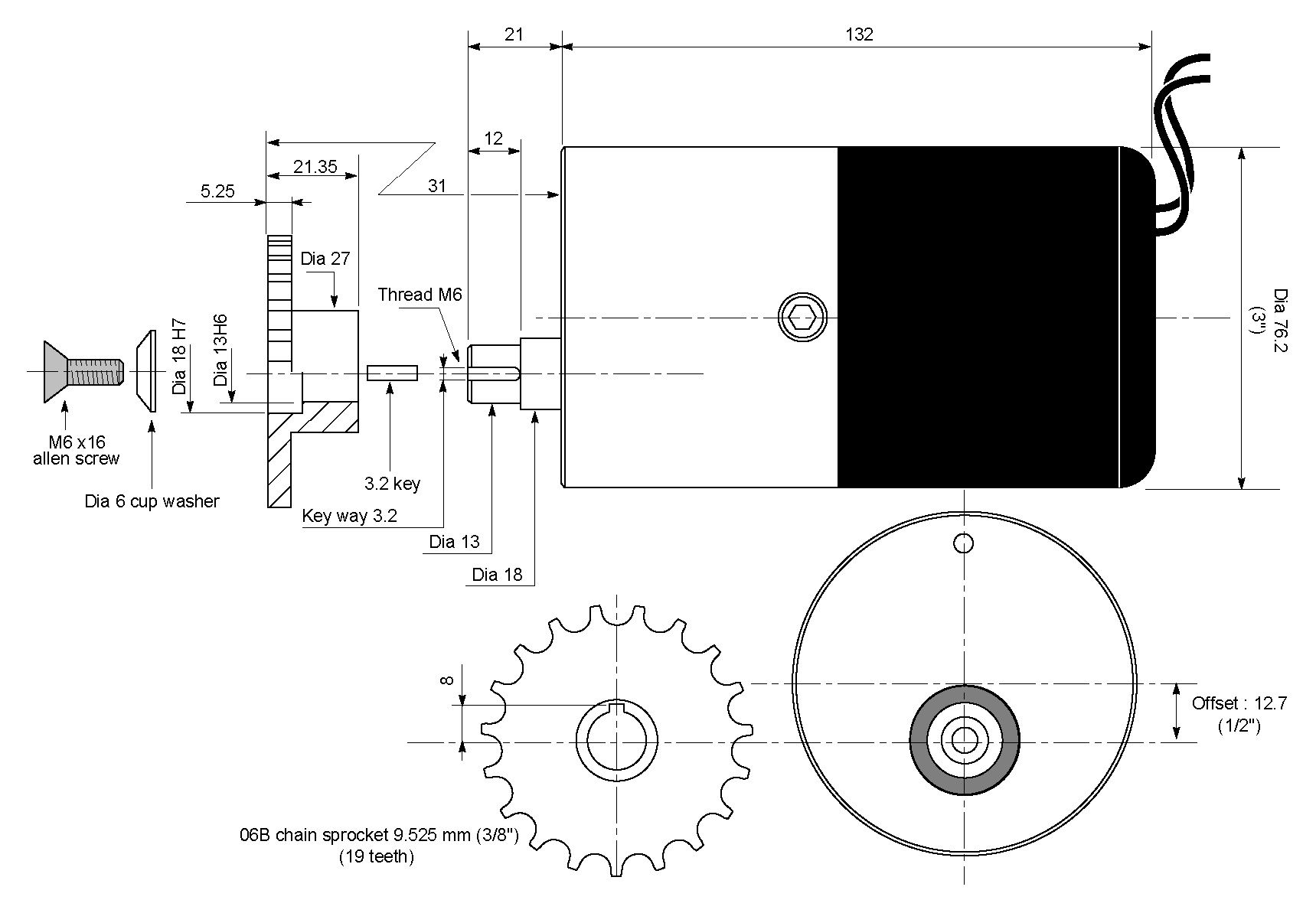
Alton Generator set für Magdyno - AJS Matchless Einzylinder
mit Gleichrichter-Regler , 12 volt 200 watt, + oder - auf Maße
kommt mit 19Z Ritzel
AJS Model 16 (M, C,..), Model 18
Matchless G3, G3L, G3LC, G80
siehe Technische Daten und ALLE Bilder
